190-5756-1776
扫码添加客服
联系电话:19057561776
传真FAX:021-57272258
邮箱:ycgear115@163.com
地址: 上海市金山区朱泾镇工业园B区
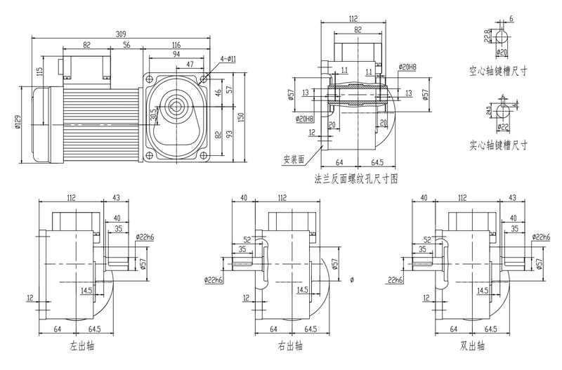
SGF35直角中空轴减速马达 三相
SGF系列直角轴减速电机
SGF45直角轴减速马达 三相
SGF系列 三相 1500W